导读作品基于公司某款纯电动汽车,明白了热泵空调体系的使命道理及其正在整车热统制体系中的效用、使命形式、担任体系架构,具体解说了以热泵空调为核心的车内制冷
作品基于公司某款纯电动汽车,明白了热泵空调体系的使命道理及其正在整车热统制体系中的效用、使命形式、担任体系架构,具体解说了以热泵空调为核心的车内制冷、电池制冷、车内和电池同时制冷、车内制热、长途遥控空调等紧要使命进程及热泵空调担任政策。
目前,大都纯电动车汽车均摆设有整车热统制体系,紧要功用蕴涵车内热统制、电池热统制、电驱动和附件热统制等,通过热统制体系的担任,使车内、电池、电驱动及附件疾速告竣温度调动,保障正在各式外界天气和条目下,均处于较为适宜的温度限制。此中,整车热统制体系策画时,电驱动和附件热统制冷却体系引子是冷却液,机合根基独立;车内热统制和电池热统制则由空调体系耦合告竣,冷却介质为R134a 冷媒。车内热统制紧要蕴涵车内制冷、车内制热、长途遥控空调。电池热统制与空调体系耦合度最强的是电池制冷,电池制热凡是通过电池加热器独立告竣,与空调体系根基不耦合。车内热统制和电池制冷均须要疾速调动,此中车内制冷还对低噪、舒坦性有较高的体验需求,电池制冷则对平安有较高恳求。是以,探求电动车空调体系正在热统制使命进程中的担任政策成为业内首要命题[1]。热泵空调体系制冷道理,如图1 所示。电动空调压缩机将高温低压的气态冷媒A,压缩为高温高压的液态冷媒B;通过车外换热器冷凝后,成为低温高压的液态冷媒C;再通过电子膨胀阀,成为低温低压的气态冷媒D;通过车内蒸发器,与车内气体热交流,车内气氛温度下降,冷媒温度升高,成为高温低压的气态冷媒A,进入下一轮制冷轮回[2-3]。如许来去,告竣车内热量交流至车外,车内制冷的功效。

热泵空调体系制热道理,如图2 所示。电动空调压缩机将高温低压的气态冷媒A,压缩为高温高压的液态冷媒B;通过车内换热器冷凝,与车内气氛热交流,车内气氛温度上升,冷媒温度降落,成为低温高压的液态冷媒C;再通过电子膨胀阀,成为低温低压的气态冷媒D;通过车外换热器,与车外气体热交流,车外气氛温度下降,冷媒温度升高,成为高温低压的气态冷媒A,进入下一轮制冷轮回[2-3]。如许来去,告竣车外热量交流至车内,车内制热的功效。

此类热泵空调体系,制冷进程,车外换热器起冷凝效用,车内蒸发器起蒸发效用,车内换热器不加入使命,仅起冷媒通道的效用。制热进程,车外换热器起蒸发效用,车内换热器起冷凝效用,车内蒸发器不加入使命,仅起冷媒通道的效用。针对上述主被动集成平安盘系各单项工夫的功用测试熟行业内仍旧有众项测试规程,可是主被动平安工夫合伙对乘员的碰撞爱惜职能测试尚处于空缺。关于测试主被动集成平安盘系对乘员爱惜的职能,最先须要搭筑合理的测试工况,同时要告竣AEB的制动功效,横跨T0前后的施行装配也许被精准触发,乘员毁伤能被合理评判,最终才力变成完备可行的测试规程。是以,下文将从测试工况、AEB制动减速率明白及告竣、施行体系的触发以及乘员的毁伤评判器材等方面举行说明。

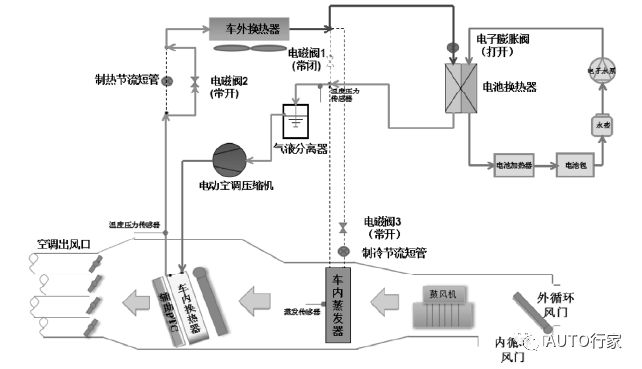
本文探求的某电动汽车,电池体系为液冷体系,其冷却液也需空调予以制冷。该车辆的热泵空调体系总体分为车外、车内和电池体系三个区域。紧要有车内制冷、电池制冷、车内制热三种使命形式。与热泵体系担任联系的紧要部件蕴涵电动空调压缩机、电子膨胀阀、电磁阀、传感器、辅助PTC、电子水泵等。贯串三种使命形式及图中联系部件效用,完全先容体系使命进程如下:车内制冷,如图4 所示。电动空调压缩机将高温低压的气态冷媒,压缩为高温高压的液态冷媒;进程制冷形式下仅起冷媒通道效用的车内换热器和常开的电磁阀2,至车外换热器冷凝,成为低温高压的液态冷媒;再通过常开的电子膨胀阀3 及制冷节俭短管降压,成为低温低压的气态冷媒;通过车内蒸发器,与车内气体热交流,车内气氛温度下降,冷媒温度升高,成为高温低压的冷媒,此时的冷媒因未齐全蒸发至理思形态的纯气态,经常还残余有液态,是以接下来进入气液区别器,液态冷媒积蓄正在气液区别器内,高温低压的气态冷媒进入压缩机,开启下一轮制冷轮回。

电池制冷,如图5 所示。电池制冷道理与车内制冷根基肖似,低温高压的液态冷媒直接通过电池体系电子膨胀阀,成为低温低压气态为主的冷媒,通过电池换热器与电池体系热交流,电池体系温度降落,冷媒温度上升,再通过气液区别器落伍入压缩机。


车内和电池同时制冷,如图6,该形式是车内制冷形式和电池制冷形式的集成。车内制热,如图7。电动空调压缩机将高温低压的气态冷媒,压缩为高温高压的液态冷媒;进程车内换热器,与车内气氛热交流,车内气氛温度上升,冷媒温度下降,成为低温高压的液态冷媒;再通过制热节俭短管降压,成为低温低压的气态冷媒;通过车外换热器,接收车外气氛热量,冷媒温度升高,成为高温低压的冷媒;接下来进入气液区别器,液态冷媒积蓄正在气液区别器内,高温低压的气态冷媒进入压缩机,开启下一轮制热轮回。如境遇温度低于−10 ℃,还须要辅助PTC 加热。

以本公司斥地的某纯电动车为例,无论是哪种整车热统制使命形式,其热泵空调体系的担任对象紧要蕴涵电动空调压缩机、电子膨胀阀、电磁阀1、电磁阀2、电磁阀3、辅助PTC 等,担任输入紧要蕴涵空调形式开合信号、电动空调压缩机转速信号、各样传感器信号及车速、整车担任器恳求等,热泵担任器是践诺担任功用的重心部件,如图8 所示。

除上述四种使命形式的担任外,热泵空调体系担任还涉及手机长途遥控空调担任。热泵体系担任不单要告竣上述使命形式的功用,还要从低噪、舒坦、充电时或行驶时车内制冷与电池制冷职能均衡等维度,归纳研究担任政策。(3)按照TD 值估计电动空调压缩机转速。车速≤20km/h,电动空调压缩机最高转速为3 600 rpm,最低转速为1200 rpm,TD 值与电动空调压缩机转速对应干系睹表1;车速>20 km/h,电动空调压缩机最高转速为4 500 rpm,最低转速为1 200rpm,TD 值与电动空调压缩机转速对应干系睹表2。
(4)当电池放电且车辆处于怠速形态时,倘若电池最高温度≤39 ℃,电动空调压缩机转速由需求转速降至2 000rpm,处于节能低噪使命形态。热泵担任器凭借电池最高温度估计电池制冷需求,凭借空调形式开合输入的指令估计车内制冷需求,兼顾两者,合理分拨制冷量。热泵担任器吸收空调形式开合的空调开启指令和电子膨胀阀开启指令,电磁阀3 掀开,电子膨胀阀开度和电动空调压缩机转速依据热泵担任器指令践诺。因为电动车存熟行驶、慢充、速充三种独立的工况,三种工况都存正在热泵空调使命的需求,是以车内制冷和电池制冷的担任政策需凭借工况特性针对性策画。归纳研究空调低噪需乞降电池平安需求,践诺降噪担任政策、电池制冷优先担任政策以及舒坦性担任政策,三个政策之间互相合系。
舒坦性担任的准绳是,当电池温度处于适宜限制时,则充实知足乘员舒坦性需求,通过调动电子膨胀阀开度,将电动空调压缩机形成的制冷量,充实分拨至乘员舱。因本文所述的热泵空调体系制冷量最大值为6 000 W,是以,表7 所示的舒坦性担任政策合用于车内制冷量和电池制冷量之和小于6 000 W 的工况。一朝产生电池温渡过高惹起车内制冷和电池制冷需求之和大于6 000 W 时,则进入施行电池制冷优先担任政策。
3.4.2 速充工况政策睹表8,极度之处是速充时,电池温度凡是上升速率较速。如电池最高温度>39 ℃,尽管车内需求制冷,也不反应,电动空调压缩机转速依旧5 800 rpm 运转,电池膨胀阀开度勉力保护电池制冷需求,压抑速充电流大导致的电池疾速温升。

3.4.3 慢充工况政策睹表9。极度当电池温度处于26 ℃~32 ℃时,电子膨胀阀开度依旧5%,起必然的压抑电池温升效用即可。

热泵空调体系制热最佳的使命境遇温度为−10 ℃~20℃,此温度限制除外如还需制热,热泵体系车内制热形式不使命,只由辅助PTC 孑立告竣制热功用。是以,车内制热担任政策睹表10。

(1)手机长途遥控空调时,热泵担任器吸收到制冷开启恳求后,将会将车内温度方针设定为23 ℃,固定值,空调体系自愿运转。(2)手机长途遥控空调时,热泵担任器吸收到制冷紧闭恳求后,恳求紧闭电动空调压缩机。(3)手机长途遥控空调时,热泵担任器吸收到制热开启恳求后,如车外温度≤−10 ℃,则开启长途空调后前15 min为除霜形式,保障用户进入车辆后可随即行驶,15 min 之后改为吹脚形式;如车外温度>−10 ℃,设定温度为28 ℃,自愿运转。(4)手机长途遥控空调时,热泵担任器吸收到制热紧闭恳求后,紧闭 PTC 和电动空调压缩机。04总结本文明白了热泵空调体系的使命道理,基于公司某款纯电动汽车,明白了热泵空调体系正在整车热统制体系中的效用、使命形式、担任体系架构,具体解说了以热泵空调为核心的车内制冷、电池制冷、车内和电池同时制冷、车内制热、长途遥控空调的使命进程及其担任政策,涌现了当下整车热统制热泵空调体系重心担任政策策画计划,供业内参考。【参考文献】[1] 谢卓,陈江平,陈芝久.电动车热泵空调体系的策画明白[J].汽车工程,2006(8):763-765.[2] 刘健豪,吴兵兵,张欢欢,等.电动汽车热泵空调体系策画及操纵[J].安徽电子职业音讯工夫学院学报, 2016(4):7-10.[3] 张欢欢.电动汽车热泵空调体系工夫探求[J].安徽电子职业音讯工夫学院学报,2017(5):22-26.
汽车测试网-创始于2008年,报道汽车测试工夫与产物、趋向、动态等 相干邮箱 marketing#auto-testing.net (把#改成@)
微信扫一扫打赏
支付宝扫一扫打赏
