绵羊汽车生活记录 sheep汽车资讯 纯电动汽车热泵空调系统布置设计分析

纯电动汽车热泵空调系统布置设计分析

摘 要:空调编制是整车主要的构成局部和能耗部件。纯电动汽车正在低温境况下续驶里程大幅缩减,热泵空调系可晋升整车电能操纵成果,但热泵空调编制相对庞大,扩充

摘 要:空调编制是整车主要的构成局部和能耗部件。纯电动汽车正在低温境况下续驶里程大幅缩减,热泵空调系可晋升整车电能操纵成果,但热泵空调编制相对庞大,扩充了陈设难度。作品通过热泵编制要害零部件及管途走向陈设、静态及动态间隙校核、安装工艺性剖判和华丽性等众个维度,集合整体整车编制案例,总结了热泵空调编制总陈设策画时的防卫成分和依照规则,为热泵空调编制开拓供应参考按照,低浸开拓周期。

电动汽车乘员舱加热计划紧要分为高压PTC和热泵两种计划。此中PTC加热分风温柔水暖两种,操纵PTC加热气氛和水,完毕车内采暖,布局相对方便,能量转换成果低,影响车辆续驶里程高达30-40%,以至更。

热泵空调编制,目前主流通使为三换热器式布局,如宝马i3和日产LEAF,当编制以除霜、除湿形式运转时,制冷剂将过程3个换热器,气氛通过内部蒸发器除湿,将气氛冷却到除霜所需求的温度,再通过内部冷凝器加热,送至车室,处理了汽车安好驾驶的题目,正在除霜时还能同时把握出风口气氛温度,编制道理如图1所示。

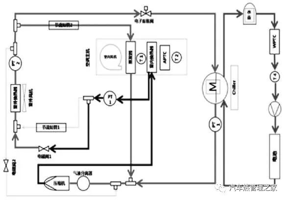
本文以设备三换热器布局热泵空调纯电动车型为例,细致先容热泵空调编制陈设策画,热泵空调布局如图2所示,紧要包罗空调主机、一形式压缩机、室外换热器、气液差别器和管途等。

1.室外换热器 2.气液差别器 3.吸气管 4.排气管 5.管途及膨胀阀 6.制热管 7.空调把握器 8.空调主机 9.饱风机 10.消音器 11.一形式压缩机

紧要部件功用如下:空调主机,包罗壳体及饱风机、PTC芯体、蒸发器和车内冷凝器等;饱风机负担将加热后或冷却后的气氛吸入乘员舱,PTC芯体负担辅助发烧,蒸发器和车内冷凝器负担吸取和供应热量。一形式压缩机,通过电机运转带头涡旋盘压缩,为制冷轮回供应动力。室外换热器,制冷时将压缩机排出高温高压气态制冷剂冷却成高压低温液体例冷剂;制热时将制冷剂由雾状液态变为气态,吸取车外热量。气液差别器,负担干燥冷媒,案例车型冷媒型号为R134a。管途由管途及膨胀阀、排气管、吸气管、制热管构成,包罗三个阀体,用来把握冷媒轮回的通断,以及一对上下压PT传感器,用于监测冷媒状况。

(3)压缩机接口火线预留足够的安设空间,与驱动轴运动包络X向间隙≥25mm,各插件不行朝上,避免进水失效;

气液差别器陈设正在压缩机左近,隐秘性好的处所,进出气口需带防错功用,与周边相对静止件间隙≥5mm。本车型陈设正在右纵梁侧,前组合灯下方。

(2)管途策画餍足以下基础参数,转弯处弯曲角度≥90°,弯管最小直线mm,软管与硬管接头长度≥35mm。硬管和软管与运动件间隙≥25mm,硬管与静止件间隙≥5mm,软管与静止件间隙≥10mm;

(3)硬管两固定点间隙大于100mm,小于400mm,安设固定牢靠,允诺管途作微量位移,软管不行直接与金属部件相连;避免正在软管上扩充固定点;管途衔尾能维持软管两头呈自然状况,不行酿成扭曲,不行因被衔尾件的运动而使软管偏离其轴线mm)不得陈设遮挡,安设法兰面需预留插拔空间。每个电磁阀需有固定支架;甩线插件需陈设好固定点和操作空间,左近电磁阀插件需做防错经管。

本车型管途按功用分四段,即管途及膨胀阀、排气管、吸气管和制热管。管途及膨胀阀衔尾主机内蒸发器、室外换热器及气液差别器,走向贴紧前围板、车身塔包和纵梁,管途上含有两个电磁阀、低压加注口和低压传感器接口;排气管衔尾制热管及压缩机,陈设有消音器;吸气管衔尾压缩机及气液差别器,并策画软管用于吸取余量;制热管衔尾主机内冷凝器、排气管和室外换热器,管途上含有电磁阀及高压加注口。

热泵空调部件除压缩机外,探讨修设公差、安装公差和部件运动包络,预留出足够安好间隙,推举间隙策画值如表1所示。

本车型热泵安装纪律:内饰工位,乘员舱次第安设空调主机、室内温度传感器、空调把握器、风道等;前舱安设温控核心、气液差别器、管途及膨胀阀和制热管。底盘工位,前舱安设排气管、吸气管和室外换热器。合装工位,加注冷媒。

热泵编制陈设华丽性也需求点探讨,空调管途可睹局部尽量做到“横平竖直”和“平行等距”,正在车身固定处,尽大概贴紧车身,做到隐秘,不显突兀。气液差别器,消音器等零部件陈设,尽大概与周边部件紧凑,并陈设正在视野以外,袪除前舱参差感。计划陈设后,连结主观评判华丽性,最终确定策画计划。末了,扩充前舱盖板掩瞒也是一种可行计划。

新能源纯电动车型,热泵空调具有较好能效操纵率,行使越来越普及,主机厂需竖立热泵空调的总陈设技能,从而晋升整车集成程度。本文集合某车型“三换热器”型热泵编制,从间隙合理性、华丽性和安装性等方面,要点剖判了压缩机、室外换热器紧要零部件的陈设条件,对后续车型的开拓供应了必然参考。

本文来自网络,不代表绵羊汽车生活记录立场,转载请注明出处:http://car.shaomingyang.com/16378.html

作者: sheep

发表回复

您的邮箱地址不会被公开。 必填项已用 * 标注

联系我们

联系我们

13426325341

在线咨询: QQ交谈

邮箱: 2363400792@qq.com

工作时间:7*24小时全年无休
返回顶部