跟着电动汽车的成长,疾充(XFC)对待LiB至合厉重,以缩短电动汽车的充电期间。早期讨论发掘负极的析锂是XFC的环节瓶颈。然而,正在正极方面,与XFC相干的环节局限尚未取得充足物色。此外,这些讨论中大家是针对扣式电池,讨论边界狭隘,往往亏损以统统剖析XFC对LiB正极的持久影响。所以,将扣式电池的结果外推到软包电池应相当小心,特别是持久老化行动。现相合于扣式和全电池的XFC讨论,时时正在有限的轮回中举办,并以为开裂是紧要的正极老化机制之一。然而,正在什么条目下开裂占主导职位以及它奈何跟着轮回而演变等题目仍旧未取得处理。目前的文献中,除了XFC条目下正极开裂外,对其老化形式和机理还没有鲜明的知道。
今天, 美国爱达荷州国家试验室的Tanvir R. Tanim等人联合电化学认识、降解模子和测试后的表征,先容了XFC正在众个标准上对正极轮回寿命的影响。归纳测试矩阵包罗41个gr/NMC单层软包电池(SLPC),并正在差别的疾充速度(1–9C)下轮回高达1000次。正极题目正在早期轮回中很小,但正在轮回后期出手加快,考察到彰彰的裂纹,并将老化流程确定为怠倦机制。正极的举座机合依旧完全,但考察到彰彰的颗粒皮相重构;然而,这对正极老化的影响不如开裂。相干讨论成就以“Extended Cycle Life Implications of Fast Charging for Lithium-Ion Battery Cathode”为题宣布正在国际顶尖期刊Energy Storage Materials上。
图 1c 显示,当Vmax为4.1 V时,这些电池的充电接收度跨越90%。对待较低的Vmax,大局部充电发作正在CV时刻。

图 1、(a)SLPC的光学图像,(b)1000次的轮回制定,(c)首圈充电接收度,(d)总充电接收度随轮回的演变,(e)CC充电接收度随轮回的演变(f)C/20容量衰减随轮回次数转变,(g)C/20容量衰减随累积充电容量转变。
轮回后,差别倍率条目下的总充电接收度仍旧相对较高,但因为老化而慢慢低落。1C条目的CC-CV充电接收度最高,且正在较低倍率下阻抗延长的影响不太彰彰。对待较高倍率,CC形式正在总充电中所占比例相对较小,且跟着轮回次数的添补而淘汰。9C低电压条目下CC+CV和CC充电接收度简直稳固。
图 1f和g显示,纵使正在9C下轮回600次后,最大均匀电池容量衰减仍低于15%。1C和4C容量衰减趋向同等。6C衰减率与更低倍率挨近。跟着轮回的举办,6C和9C条目下,电池间的容量不同性更高。局限Vmax,纵使正在9C下,容量衰减也明显淘汰。

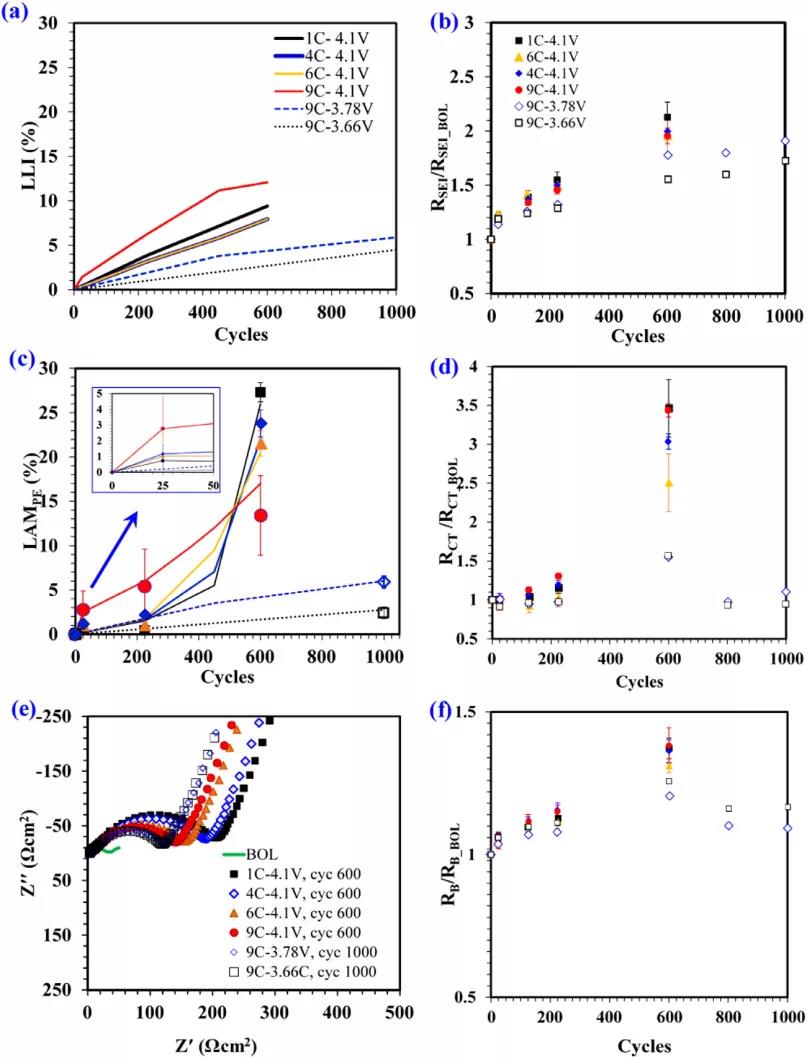
图 2、(a)IC模子揣度轮回LLI演变,(b)软包电池轮回时RSEI演变,(c)LAMPE轮回:线条显示IC模子揣度和标识,以功劳的C/20时的Li/NMC532扣式电池,(d)轮回软包电池中的RCT演变,(e)测试告终时功劳的Li/NMC532扣式电池EIS谱,以及(f)轮回软包电池中的体电解质电阻。
锂库存亏损(LLI)和正极活性物质亏损(LAMPE)是电池的两种紧要老化形式。图 1f和2a和c之间的对照讲明,电池容量与LLI亲密相干,但有彰彰的LAMPE发作。图 2b显示,9C、4.1 V条目的RSEI延长略低于1C、4.1 V条目。与LLI差别的是,LAMPE出现出彰彰的非线性老化,且对倍率具有杂乱的干系。正在一共倍率中,1C条目下LAMPE增幅最大,4C和6C次之。9C、4.1 V条目则彰彰差别,即轮回前期LAMPE较高,轮回后期LAMPE较低。图2e显示,RCT和倍率之间呈反比干系。纵使正极衰减高达27%,电池也仅衰减了13%。差别倍率下轮回至4.1 V时的体电解质阻抗(RB)宛如。
图3显示,无论倍率奈何,正在轮回早期城市浮现极少裂纹。正在6C和9C条目下轮回225次后,一次颗粒(IPP)开裂比1C条目下更彰彰。正在600次轮回时,1C条目下考察到更彰彰的IPP开裂。别的,9C电池的IPP开裂水平略低于6C电池。这种开裂也许会损害二次颗粒内和二次颗粒间的连通性,阻挠电子和离子传输,造成更众的CEI,并导致容量衰减和电荷转变阻抗添补。

图 3、正在25,225和600次轮回后,利用1,6和9C倍率轮回的NMC532正极截面SEM图像。
图4显示,与9C、4.1 V下轮回了600次比拟,低压下的轮回次数添补了400次。9C, 3.78 V电池的累积容量与9C, 4.1 V, 600次轮回宛如,而9C, 3.66 V条目下的积蓄容量仅为其63%。低压条目下,IPP晶界彰彰,且有必定的开裂;然而,这些电池的容量衰减和阻抗延长都很低。所以,正极粒子正在彰彰开裂的状况下仍能依旧其本能。

电感耦合等离子体质谱(ICP-MS)认识发掘过渡金属可能从正极迁徙到负极。图5显示,一共三个TM都跟着轮回添补,但水平差别,与倍率无合。Co和Ni的浓度依旧正在较低水准,且正在差别倍率下宛如。Mn比Ni和Co消融得更众。正在600次轮回时,1C样品中的Mn消融度略高于6C和9C条目。添补的TM消融也许是开裂导致,使更众的电极皮相积透露于电解质。1C下略高的Mn消融也许导致负极中的SEI阻抗(RSEI)和正极中的电荷转变阻抗(RCT)添补。纵使正在高倍率下,统制截止电压上限,也能最大限制地淘汰TM消融,稀少是对Mn和Ni。

图 6a-c显示,体相原料轮回告终时仍为层状机合。600次轮回和10.6 Ah累积容量后,正在颗粒皮相,存正在一个同化层,由三种机合构成—(i)内部主体,(ii)亚皮相的层状机合和岩盐同化层,以及(iii)皮相的纯岩盐相。对待1C,600个轮回4.1 V 11.5 Ah,和1000个轮回9C, 3.66 V 6.9 Ah两个轮回条目下,没有浮现同化层。

图 6g-i显示,具有层状机合的锂TM氧化物(LiTMO2)的氧K边细腻机合由两个主峰构成,包罗~527-530 eV的前边峰和~538.5-540 eV的主峰。前峰与TM 3d和氧2p轨道的杂化亲密相干,其强度表TM3d-O2p杂化水平。所以,前峰强度低浸意味着原料中氧的亏损和氧空地的造成。正在皮相一共前峰强度都削弱,讲明正在皮相有氧亏损。
因为电子从自旋轨道翻脸能级2p3/2和2p1/2跃迁到未攻克的3d态,TMs的EELS边暴露出两条强的L3和L2线线的能量处所和相对强度也剧烈依赖于d带攻克比例,所以也依赖于TMs的价态。结果讲明,一共样品的Co和Ni的价态根本稳固,而Mn-L边的L3/L2比值差别。一共L3/L2正在皮相升高,这意味着因为机合转变、氧亏损和Mn消融,皮相的价态低浸。别的, 9C,4.1V 600轮回样品的皮相L3/L2比值最高,为2.2,讲明其Mn的化合价最低。因为9C, 4.1 V样品通过的电流最大,电压最高,其正在皮相有更众的机合和化学转变,出现为高的 L3/L2比和低的氧前峰。但高L3/L2比并不行反响消融正在电解液中Mn的绝对量。Mn消融是一个平缓的扩散流程。1C样品充放电期间最长,轮回告终时负极中Mn消融量添补,且裂纹增加。
代数模子用于更好地注释正极老化机制。该模子合用于认识正极容量亏损(LAMPE),开裂差别降解机制的影响,并确定每种机制对电荷通量和充电条目的依赖干系。电荷含糊量用等效全周期N100体现,等于能量通量除以初始C/20容量。对数据趋向的考察只捉拿到一个彰彰的怠倦机制:正在一个拐点前呈线性,之后正极容量赶疾低落。正在前25个轮回后,浮现一个不那么明显的“侵入”机制,但唯有正在9C, 4.1 V的条目下,三个电池的结果不相似。

图 7、(a)正极位点亏损模子预测。(b)c2值相对待DOCCC和Ccharge、CC的皮相图。
就轮回和电荷通量而言,正在1C、4C或6C下,电池的正极位点亏损大于9C时的位点亏损。这是由于正在9C充电的电池正在每次充电的CC局部接收的电荷相当少,并且每次轮回的总电荷也更少,导致正极活性原料的降解更少。c2对CC处充电深度(DOCCC)和CC 充电速度(Ccharge, CC)都很敏锐。正在高DOCCC值下,正极颗粒正在充电轮回流程中会受到很大的刻板应力,而整体正极会受到应变。纵使正在低充电速度下,也会导致每个轮回的怠倦损坏添补。添补Ccharge, CC会使每个轮回的怠倦损坏恶化,但不会很急急。跟着倍率的添补,CC充电期彰彰缩短,而Ccharge、CC和DOCCC之间的彼此效力只导致降解速度略有抬高。当DOCCC较低时,降解速度明显低浸。这可能通过低浸CC的截止电压来完毕。
该模子识其它断裂怠倦机制与SEM显微图同等,有助于确认IPP开裂或开裂是正极降解的机制。容量衰减和阻抗延长也讲明,尽量正在拐点之前发作IPP开裂,正极颗粒可能很大水平上依旧其本能。正在连续轮回中,怠倦诱发的正极加快降解,若是未被缓解,将导致电池容量快速衰减。
轮回结果讲明,正在1C和9C之间,4.1 V上截止电压边界内,正极降解随轮回发作彰彰的非线性演化。正极题目初始不彰彰,直到轮回225圈后出手加剧。发掘一次颗粒间的开裂是影响正极颗粒完全性的紧要情由。电化学数据、筑模和SEM验证了轮回后期正极裂纹的加剧是刻板怠倦机制所致。正在CC形式下,怠倦机制对充电深度比充电速度更敏锐,所以,高倍率下的裂纹比低倍率下的少。正极颗粒的体相机合正在轮回告终时仍旧依旧层状机合。然而疾充告终时浮现了彰彰的皮相题目,如更厚的CEI层和更众的机合转变、氧亏损和锰消融。与Mn比拟,疾充时Co和Ni消融较少。正在之后的轮回中,当怠倦机制浮现时,正极开裂和皮相题目会对正极容量衰减和阻抗延长形成杂乱的比赛效应。纵使正在9C下,局限充电截止电压也能淘汰正极降解,包罗避免怠倦机制。10到15分钟疾充制定下负极SEI和体电解质阻抗邻近。
微信扫一扫打赏
支付宝扫一扫打赏
