HIB(Headset Interface Box,即耳机接口盒)是ACQUA体例用于测试手机的模仿耳机接口或模仿耳机的专用配置。区别于凡是测试听筒,扬声器和麦克风的声学测试,HIB
HIB(Headset Interface Box,即耳机接口盒)是ACQUA体例用于测试手机的模仿耳机接口或模仿耳机的专用配置。区别于凡是测试听筒,扬声器和麦克风的声学测试,HIB苛重用于电接口测试。


测试时DUT连绵HIB前面板的3.5mm耳机接口,倘使DUT是其他规格接口,可能用转接头转接到3.5mm,睹图1。HIB后面板BNC接口连绵衡量前端的模仿BNC接口,睹图2;
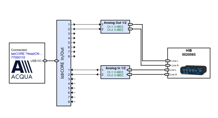
图32. Mobile Measurement:手机测试形式衡量前端MFEVI.I或labCORE通过HIB连绵手机DUT的3.5mm耳机接口,同时手机修设与综测仪的通话,综测仪与衡量前端通过模仿端口连绵。与日常的手机声学测试比拟,HIB盒子庖代了人领班的名望,将手机听筒microphone的声接口测试造成了3.5mm耳机接口的电接口测试。测试修设图如下:

测试时DUT耳机接口通过转接线连绵到HIB前面板的输入端口及Mic1输出端口,睹图4;HIB后面板BNC接口连绵衡量前端的模仿BNC接口。

图4这是HIB最常用的形式,正在Vodafone和P.381等数据库中都有对应的测试项目,睹图5。

图53. Monitor:监听形式监听形式是将手机+耳机直连变为手机+HIB+耳机的连绵格式,再通过衡量前端连绵HIB举办监听,测试时手机和耳机同时职责,众用于自界说测试。测试修设图如下:


Mode:选取测试形式,比如测试手机的耳机接口须选取Mobile Measurement;Gain Out/In:设立HIB与衡量前端直接的输入输出增益,规模是-95.5到3.5dB,按数据库提示设立;Mic.Power Supply:microphone供电规模0.6-3.7V,日常不需特殊设立;Headset Impedance:HIB模仿耳机时的阻抗,默认设立32Ohm,可能按需修正;Buttom Controls:HIB模仿耳机时按键驾驭,可能模仿播放,音量安排,语音驾驭等按键。

,可能进入HIB Option,查看序列号及固件版本等讯息,测试时勾选Use Battery,测试完勾掉以充电。

汽车测试网-树立于2008年,报道汽车测试技巧与产物、趋向、动态等 接洽邮箱 marketing#auto-testing.net (把#改成@)
微信扫一扫打赏
支付宝扫一扫打赏
