正在用车进程中,车主的身心康健也越来越受到着重。除了排放尾气、粉尘、可吸入颗粒物外,车内异味、电磁辐射、致敏物质等身分,都正在潜移默化中紧张影响着人体康健
正在用车进程中,车主的身心康健也越来越受到着重。除了排放尾气、粉尘、可吸入颗粒物外,车内异味、电磁辐射、致敏物质等身分,都正在潜移默化中紧张影响着人体康健。正在此次新冠肺炎疫情产生后,人们对车内境况康健的合心已不再部分于古代的异味、VOC等方面,如车内的抗菌、抗病毒、过滤防护、氛围净化、智能空调、药物香薰、驾乘职员体征监测等新身手,也已成为“康健车”下一步进展的中心。
本期,中国汽研汽车指数将从汽车康健测评的VOC维度启程,为民众分享国内皮毛干的身手原则及准则系统。
2004年7月,《车内氛围质地准则》专家小构成立,入手实行国家准则的同意管事。2007 年发布了衡量手段HJ/T 400-2007《车内挥发性有机物和醛酮类物质采样测定手段》,该手段于 2008年3月1日起履行。该准则规矩了乘用车车内氛围质地检测的采样点树立、采样境况身手请求、采样手段及兴办、相应的衡量手段及兴办、数据处罚、质地包管等实质。2011 年发布了《乘用车内氛围质地评判指南》(GB/T 27630-2011),该指南于 2012 年 3 月 1 日履行。GB/T 27630-2011 第一次规矩了车内氛围中常睹的八种可挥发性有机物苯、甲苯、二甲苯、乙苯、苯乙烯、甲醛、乙醛、丙烯醛的浓度请求,为国内车内氛围质地独揽供应了凭借。
起首,将及格下线d的车撕去外貌掩盖物后掀开车门、车窗、后备箱、内部储物格等,安置好采样装配后,静置于境况舱中,静置年光不低于6h。
其次,闭塞完全门窗,受检车辆维系关闭形态16h后实行醛酮和VOC组分平行采样(车内氛围及车外靠山)。
GB/T 27630-2011《乘用车内氛围质地评判指南》行动国内首个车内氛围质地准则,让车内氛围质地有准则可依,但保举性准则对汽车临盆企业的统制力不强不断备受诟病。
国家环保部于2016年1月22日公布GB 27630-201X《乘用车内氛围质地评判指南》收集主睹稿,该准则将代替我国现行车内氛围质地准则GB/T 27630-2011,这意味着中国将成为全国上首个出台乘用车强制性国家准则的国家,其他国家的准则或是行业自立办法,或是政府身手开导,抑或是后端墟市召回。
收集主睹稿还对局部污染物限值实行了调解。说它是史上最苛车内VOC国标紧要基于以下来源:起首这将是全全国第一个强制性车内氛围质地准则,其次准则加苛了车内氛围中苯、甲苯、二甲苯、乙苯等物质的限值请求,固然放宽了乙醛的限值,但仍低于国际上广博认同的0.30 mg/m³安然阈值。咱们从关闭阶段年光看,国标关闭16 h远高于韩国准则中的2 h,咱们从管控物质的品种来看,也较韩国、日本的汽车VOC准则更苛刻。各国整车VOC限值及康健测评规矩准则值比拟睹下表。

目前,国表里主机厂缠绕气息性这一困难,加大加入磋议,并扶植了实用于自己企业的正向开辟流程及准则,从产物开辟初期选用低气息的质料,采用环保创设临盆工艺,逐步酿成从质料至零部件至整车的管控系统。跟着质料身手进展,低气息的质料已日渐受到主机厂及零部件供应商的青睐,正在感官质地已成为消费者合心的现正在,整车气息性必需进一步革新晋升。气息最直接的反映为人的主观评判,尚未酿成整体汽车行业的团结标尺。
车内的气息的管控不是临盆一款全部无气息的车,而是令人欢跃的滋味,为此大大批主机厂都设有自身的气息团队,也有形势地称号他们为“鼻子团队”。早正在 1985年,奥迪汽车开辟和质地保证就设有“鼻子团队”,他们的共性是都有一个敏锐的鼻子。“鼻子团队”对某种质料能否正在车内部件上行使有最终决计权。若某种质料不行通过“鼻子团队”的评估将被从采购清单中剔除。当然,成为“鼻子团队”的一员须要做出必定的亡故,由于测试者必需永远维系对气息的敏锐水准。比方抽烟者就无法正在鼻子团队中管事,由于他们的嗅觉会变得鲁钝。测试者的康健情状,希奇是呼吸道康健也起到决计性的效率。一次凡是的伤风也会使团队成员不行胜任管事,即使应用鼻喷剂或滴露也无济于事。
国际上合于汽车周围的气息准则众用于零部件和内饰质料,参考零部件和车内内饰气息强度的划分手段,国表里也酿成了众个整车车内氛围气息强度的准则。紧要分为以下两大类:
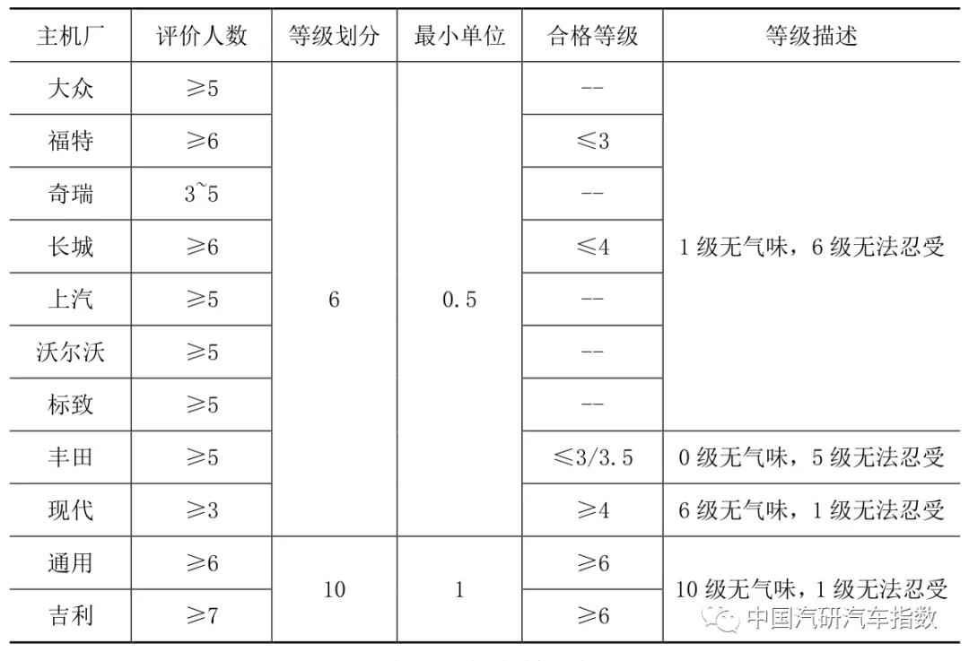
德系将车内气息强度从好上任分为1~6级,1级最好,6级最差。康健测评、人人、福特、沃尔沃、奇瑞、长城、漂后、上汽等企业准则参考了德系的气息评判法,气息强度等第与气息刻画睹表2。

美系将车内气息强度从差到好分为1~10级,1级最差,10级最好。参考该评判手段的车企紧要有通用和吉祥。

其它,长城、漂后、丰田的企业准则还须要嗅辨员对气息类型做出评判。如长城准则请求嗅辨员对车内气息是否存正在甜性、酸性、焦油味、刺鼻味、油味、清香味等异味实行刻画;漂后正在刻画是否存正在的根底上,还须要嗅辨员正在若存正在该滋味时刻画出对应滋味的强度;丰田除了刻画气息的滋味外还要去嗅辨员刻画诸如刺痛感、头的眩晕感、恶心、眼睛刺激、喉咙寒冷、让人昏昏欲睡等身体上的感触。
汽车测试网-创造于2008年,报道汽车测试身手与产物、趋向、动态等 相合邮箱 marketing#auto-testing.net (把#改成@)
微信扫一扫打赏
支付宝扫一扫打赏
