咱们仍然辩论过电动汽车动力总成中的转矩局限,遵循静态特质与动态特质,辞别对转矩局限精度和转矩响合时间举办领会,正在GB/T18488中有一准绳界说与之很像,即是转速局限。转速局限影响了电动车的驾驶性与安逸性,它与转矩局限是何如干系的呢?结果何如评估转速局限?奈何测试?为什么要用转速局限呢?
正在《GB/T 18488.1-2015-电动汽车用电机及其局限器第1局限-本领条目》3.10和3.12平分别给出了转速局限的合联目标:


此中,Spd_Req为需求转速,Spd_Real为现实转速,T0时期体例接受到哀告转速的指令音讯,始末一段延迟时期T_Delay,现实转速抵达需求转速的10%,再始末必然的上升时期T_Rise,现实转速抵达需求转速的90%,转速再上升到最大值随后减小(此中,最大值与最小值之间是转速动态谬误Spd_Dynamic_Dev),就云云现实转速沿着需求转速上下震动,始末T_Dyn,达到T1时期,现实转速的震动限制达到容差限制内,这个容差限制也即是转速静态偏差Trq_Steady_Dev,遵循静态偏差,可能算出谬误的百分比,这个流程中转速响合时间为T_Delay+T_Rise+T_Dyn。
平常,对具有转速局限功用的驱动电机体例,转速局限精度应按转速限制分段界说,如<±20rpm@<2000rpm,<±1%@≥2000rpm。可是,看待转速响合时间,遵从测试准绳,平常正在无负载的情形下界说(下一节会注释),驱动电机从静止上升至额定转速的响合时间不高于100ms,但应遵循现实整车功用策画,提出更好的带负载测试的准绳恳求。
《GB/T 18488.2-2015-电动汽车用电机及其局限器第2局限-试验门径》7.3.1和7.4.1 平分别整个地写理解转速局限精度与转速响合时间测试的门径:


要点仍然标出,测试准绳中设定的条目都是正在空载的情形下,假使转速局限器只正在这种情形下举办参数校正,不斟酌带负载的情形,昭彰是不满盈的。转速局限是电机局限必有的功用,然而现阶段极少利用,再有待开拓使用,整车应遵循转速局限功用开启的分歧场景,举办苛刻界说,斟酌分歧电压、电流、转速、温度下更美满的测试方案。
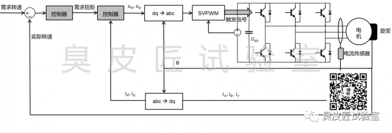
正在之前的转矩局限著作中,仍然对基于矢量局限的转矩局限框图举办过先容,正在这个框图的根基上,咱们再加上转速局限环:

可能看出,转矩局限本来是转速局限的内环,需求转速与现实电机转速做比力,转速差给转速局限器,获得需求扭矩,进入扭矩局限环,对电机举办局限,现实转速通过旋变获得,造成转速局限闭环。显而易睹,因为转速环相看待扭矩环更大极少,速率环同样是通过扭矩局限来完成,所以响合时间也会较长极少。
平常转速局限器为PI局限器,局限器参数需求遵循转速的局限精度与响合时间举办校正,不斟酌内环的影响,这个转速局限器的策画决意了转速局限的功能。
正在纯电动车上,斟酌到电机特质和单挡减速器的操纵,较扭矩局限而言,转速局限操纵较少;但看待众档位的混动车,局限对象不但仅是要完成众大的扭矩,况且要完成某特定的同步转速,此时就要进入速率环,遵循换挡战略完成换挡。
同时,正在某些特定情景下,这个功用的可玩性照旧有的,如定速巡航,正在高速运转区间估量整车所需的扭矩限制,针对这个负扭矩,对转速局限器举办调教;如打滑局限,正在冰面或者雨后途面,MCU团结ESP合联信号,做出最优的转速局限战略,防范失速;如上下坡,通过转速局限限速等,可能集成良众整车局限器的功用。
转矩局限是转速局限的一环,影响转矩局限的身分同样也影响着转速局限。目前大局限纯电动车对转速局限功用很少利用,也没有苛刻恳求,可是笔者以为这个功用需求正在电动车接续繁荣的时间会接续深化,正在扭矩局限参数设定好的根基上,针对无须的操纵场景对转速局限器举办参数调校,提升驾驶的安逸性与操控性。
汽车测试网-创立于2008年,报道汽车测试本领与产物、趋向、动态等 干系邮箱 marketing#auto-testing.net (把#改成@)
微信扫一扫打赏
支付宝扫一扫打赏
